Home / Blog Posts / Electrical Wiring In Ghana
Electrical wiring in Ghana plays a vital role in powering homes, businesses, and industries. However, it faces unique challenges such as the use of substandard materials, uncertified electricians, and insufficient regulatory enforcement. These issues not only compromise safety but also lead to severe consequences, including electrical shocks, fires, and economic losses.
To address these concerns, the Ghana Electrical Wiring Regulation 2012 (L.I. 2008) provides a framework for standardisation, but enforcement remains a challenge. Implementing regular inspections, imposing penalties for non-compliance, and promoting public awareness are crucial strategies for improvement.
By prioritising safe wiring practices and strengthening industry standards, Ghana can create a safer, more reliable electrical system for its citizens. Stakeholders must collaborate to ensure compliance, uphold ethical practices, and embrace continuous education.
Together, we can build a future where electrical wiring is a cornerstone of safety, efficiency, and progress.
Electrical wiring forms the backbone of modern infrastructure, powering homes, businesses, and industries. In Ghana, the state of electrical wiring reflects the country’s evolving development, with a mix of traditional practices and modern advancements shaping how electricity is distributed and utilised.
However, there are notable differences between electrical wiring practices in Ghana, the United States, and the United Kingdom. One key difference lies in the wiring colour codes used to identify live, neutral, and earth wires.
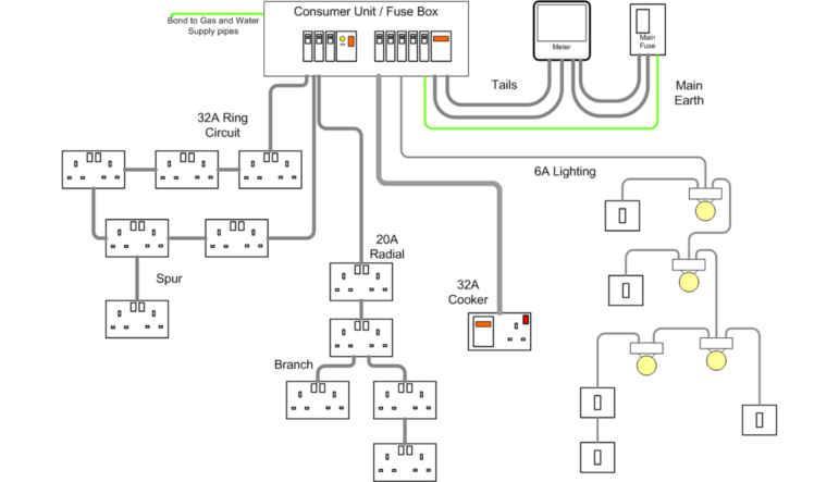
In Ghana and the UK, the standard colour code for wiring includes brown for live, blue for neutral, and green-and-yellow for earth, aligning with British standards. In contrast, the US uses black or red for live, white for neutral, and green or bare copper for earth. Alongside these distinctions, voltage systems vary, with Ghana and the UK utilising 230V for single phase and the US adopting 120V for single phase. These differences highlight the importance of understanding local standards when working with electrical systems.
This article explores electrical wiring in Ghana and focuses on the challenges, safety risks, regulatory frameworks, and solutions necessary for improvement. It aims to educate and inform homeowners, businesses, electricians, and policymakers about the critical importance of safe and efficient wiring systems.
Electrical wiring in Ghana presents several challenges that threaten safety, efficiency, and reliability. These challenges stem from a mix of systemic issues, insufficient oversight, and inadequate professional standards. Below is an overview of the most prevalent problems:
The prevalence of uncertified electricians in Ghana significantly undermines the quality of electrical installations in Ghana. These individuals often lack the required skills and knowledge which lead to substandard work that increases the risk of electrical fires and equipment failures.
Even though the Ghana Standard Authority has published “Approved Cable”, The use of poor-quality or counterfeit materials has become widespread issue. Substandard cables and materials have not only reduce the lifespan of electrical systems but also heightened safety risks such as overheating leading to fire outbreaks and electrical shocks.
Improper wire sizing and failure to accurately calculate electrical loads have led to many system overloads, frequent tripping of circuit breakers, and increased fire hazards. This oversight often results in inefficient power distribution and unnecessary energy losses.
The Distributers sometime install meters on properties with wiring and building structures that do not meet safety or regulatory standards. This practice perpetuates unsafe conditions and makes enforcement of wiring regulations more challenging.
Even certified electricians are sometimes guilty of prioritising profit over quality. They Cut corners, such as skipping crucial electrical safety protocols or using cheaper materials which compromises the integrity of electrical installations.
Sometimes, Electrical wiring systems in Ghana go years without inspection or maintenance. This neglect increases the likelihood of undetected faults, which can escalate into severe issues, including fires or power outages. There are building structures in the Greater Accra and other places of the country with human beings living in them which are over 30 year old with electrical wirings and have never undergone wiring inspections.
Even though Energy Commission of Ghana has provided opportunity for Electricians in Ghana to have advance training and education, The lack of advanced training and educational for some electricians hampers the adoption of modern wiring techniques and standards. Many of those electricians rely on outdated practices, making it difficult to improve overall wiring quality.
Corruption and bribery within the electrical sector further exacerbate these challenges. Some electricians and inspectors accept bribes to overlook safety violations or approve substandard installations, perpetuating a cycle of poor quality.
Poor electrical wiring is not just an inconvenience; it is a severe hazard that can have devastating consequences for individuals, businesses, and communities. Below, we will explore the safety risks and broader implications associated with substandard wiring practices.
Inadequate wiring, such as exposed wires or improper grounding or earthing, significantly increases the risk of electrical shocks. These incidents can lead to severe injuries or even fatalities to people, particularly in residential areas where children and the elderly are most vulnerable.
Faulty wiring is a leading cause of electrical fires in Ghana. Overloaded circuits, substandard materials, and improper installations can trigger fires that result in the destruction of homes, businesses and critical infrastructure.
Beyond electrocution, other injuries such as burns and fractures may occur during electrical accidents. These incidents often result from improper handling of faulty electrical systems, with fatalities not uncommon in severe cases.
Poor electrical wiring is not just an inconvenience; it is a severe hazard that can have devastating consequences for individuals, businesses, and communities. Below, we explore the safety risks and broader implications associated with substandard wiring practices.
Economic Impact on Individuals, Businesses, and the Nation
Electrical fires and equipment damage can lead to significant financial losses. Homeowners face high repair costs, businesses incur expensive downtime, and the nation bears the burden of rebuilding damaged infrastructure.
Frequent electrical outages and equipment malfunctions caused by poor wiring disrupt business operations. This leads to reduced productivity, missed deadlines, and loss of revenue, particularly in industries reliant on continuous power supply, such as manufacturing and healthcare.
Recurring incidents due to poor wiring erode public trust in electricians and the broader electrical industry. Businesses suffer reputational harm when faulty wiring leads to customer dissatisfaction or safety violations.
Ghana has established regulatory measures to ensure electrical wiring is carried out safely and effectively. The Ghana Electrical Wiring Regulation 2012 (L.I. 2008) serves as a cornerstone of these efforts, but enforcement and compliance remain areas of concern. Below is an overview of the regulatory framework, its challenges, and the role of key regulatory bodies.
The Ghana Electrical Wiring Regulation, enacted in 2012, aims to ensure the safety and integrity of electrical installations across the country. It mandates that all electrical wiring in residential, commercial, and industrial properties be conducted by certified electricians who adhere to approved standards.
This regulation not only protects end-users but also establishes clear guidelines for electricians to deliver quality and compliant services.
Despite the comprehensive nature of L.I. 2008, several challenges hinder its effective implementation:
The Energy Commission is responsible for the certification of electricians and monitoring compliance with L.I. 2008. It conducts training programs and exams to ensure electricians meet the required competency standards.
The GSA plays a critical role in defining and updating the technical standards for electrical wiring. It collaborates with the Energy Commission to ensure these standards are practical and in line with international best practices.
While primarily responsible for power distribution, the ECG ensures meters are connected only to installations approved under the wiring regulations. However, lapses in this process remain a concern.
Ensuring the safety and efficiency of electrical wiring in Ghana requires robust implementation and enforcement of standards. While regulations like the Ghana Electrical Wiring Regulation 2012 (L.I. 2008) set a strong foundation, targeted strategies are essential for effective compliance.
Electrical wiring plays a critical role in ensuring the safety, functionality, and growth of Ghana’s residential, commercial, and industrial sectors. Throughout this discussion, we’ve explored the current state of electrical wiring in Ghana, the challenges faced, the safety risks associated with poor practices, and the existing regulatory frameworks. We’ve also highlighted practical strategies to implement and enforce standards effectively.
It is clear that prioritising safe and standardised electrical wiring is not just a technical necessity—it is a societal imperative. Addressing these challenges requires a coordinated effort from all stakeholders, including government bodies, electricians, building owners, and material suppliers.
By taking these proactive steps, Ghana can establish itself as a model for safe, efficient, and innovative electrical systems. Let us work together to ensure a brighter and safer future for everyone.
Contact us today to learn more about our services or to schedule an inspection with our certified electricians.
No matter urgent any electrical repairs seem, it’s never okay to attempt to handle them on your own. Trying to take care of electrical problems without professional training is extremely dangerous. If you or someone else aren’t hurt during your attempt, there’s still a chance that you’ve left something undone that poses a huge risk to you, your home, or your family. In fact, faulty electrical wiring is the number one cause of house fires in the United States, according to the National Fire Protection Agency. So in order to make sure that your home is safe, always rely on a professional for any electrical services.
Our electrical wiring technicians in Accra – Ghana know what a hassle any electrical wiring problems can be, which is why we’ll always respond to any requests for service as quickly as possible. And because all of our technicians are licensed, background checked, and professionally trained, you’re guaranteed to receive the best quality service and workmanship available when you call us. We can assist with all your electric needs including:
Don’t risk electrical hazards or poor workmanship. Contact Mega Solution Electrical Engineering for reliable electrical services in Ghana
Call us at +233 24 415 1232
| M | T | W | T | F | S | S |
|---|---|---|---|---|---|---|
| 1 | 2 | 3 | 4 | 5 | 6 | 7 |
| 8 | 9 | 10 | 11 | 12 | 13 | 14 |
| 15 | 16 | 17 | 18 | 19 | 20 | 21 |
| 22 | 23 | 24 | 25 | 26 | 27 | 28 |
| 29 | 30 | 31 | ||||

Learn how to read and understand circuit breaker ratings like In, Icu,

Discover the key differences between synchronous and induction motors.

What safety measures you need to put in place in your industry and why

As energy bills continue to soar, households and businesses alike are

Dreaming of a Career as an Electrician in Ghana? Here's How to Make It

Characteristics of Top Electricians Before starting your search, it's
